CNC Cylindrical Grinding Tool

1
Enter Part Information  
2
View Estimate  
3
Enable Customization (Opt.)  
4
Unlock Global costs
5
Save
cnc_cylindrical_grinding flow 000chart image
Welcome to our Cylindrical Grinding Cost Model, your comprehensive guide to understanding the cost dynamics of Cylindrical Grinding processes. Our platform provides detailed insights into the costing parameters, offering tools to help you enhance efficiency, optimize production, and improve profitability. Whether you are a manufacturer, supplier, or industry enthusiast, our resources are designed to assist in managing the Cylindrical Grinding process cost-effectively.Our comprehensive Cylindrical Grinding cost model is designed to help you stay ahead in a competitive market by offering accurate and optimized cost solutions. Explore our cost calculators and pricing estimators to take your Cylindrical Grinding operations to the next level.

A) General Part Information

Part Number:-
- Part Number which is usually mentioned on the drawing. (Alphanumeric values are accepted).
Part Description:-
- Enter Part Description which is usually mentioned on the drawing for example Bumper, Cover, Upper body, etc. (Alphanumeric values are accepted).

B) Volume (Number of Pieces Produced)

Annual Volume:-
- Number of Pieces that are Required in a Year. (Limit set for the tool: 1-10000000 Nos).
Lot Run Size:-
- The Number of Pieces to be Processed in a Single Setup
(Note: - Suggested value in Input box is Avg. monthly lot run Size. If you want to change simply override this value.) (Limit set for the tool: 1 – 10000000 Nos).

C) Minimum Required Inputs

Select Material:-
- Select the material type from the drop-down list like Steel, Aluminum, Stainless steel.
Select Grinding Diameter:-
- Select the material type from the drop-down list like OD (Outer Diameter) Grinding, ID (Inner Diameter) Grinding, OD & ID Grinding.
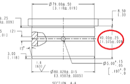
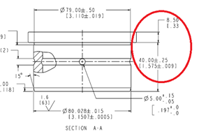
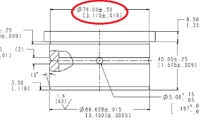
Total Length of Outer Diameter Grinding (mm) - L1:-
- Limit set for the tool is 1 – 600 mm.
Total Length of Inner Diameter Grinding (mm) - L2:-
- Limit set for the tool is 1 – 550 mm.
Outer Grinding Diameter(mm) -D:-
- Limit set for the tool is 1 – 150 mm.
Inner Grinding Diameter(mm) -D:-
- Limit set for the tool is 1 – 125 mm.
OD Tolerance Level:-
- Select the tolerance type from the drop-down list Tight Tolerance = ">±0.02mm" (>Inches ±0.0008), Extra Tight Tolerance = "<±0.02mm".
ID Tolerance Level:-
- Select the tolerance type from the drop-down list Tight Tolerance = ">±0.02mm" (>Inches ±0.0008), Extra Tight Tolerance = "<±0.02mm".
# of Grinding Outer Diameter:-
- Select Number of grinding Outer Diameter from drop- down list like 1, 2, 3.
# of Grinding Inner Diameter:-
- Select Number of grinding Inner Diameter from drop- down list like 1, 2, 3.